Если Вам необходим компактный размер топки с угловым стеклом, то обратите внимание на продукцию компании Defro (Польша).
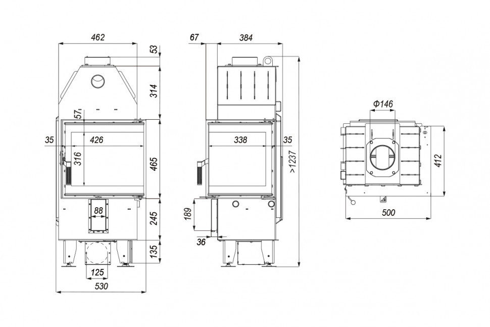
Топка серии Intra Mini номинальной мощностью в 8 кВт, разгоняется легко от 3 до 10 кВт в пиковом значении. Обратите внимание – диаметр выхода дымосборника – 150мм, что облегчает адаптацию подключения к дымоходам ограниченного сечения. Длина поленьев при горизонтальной укладке 35 см. Для лучшего отвода тепла на куполе предусмотрены теплоотводящие ребра и теплоотводной канал внутри дымосборника, обеспечивающий эффективный съём тепла для конвекционного обогрева помещения.
Опционально можно заказать следующее оборудование:
Черная футеровка – Keramiton – особо прочная керамика с высокими защитными и теплонакопительными свойствами.
Ручку и петли можно поменять местами, что очень важно при планировке проекта.
Стальную ручку можно заказать в черном цвете, если стальная выбивается из концепции.
Для повышения эффективности работы, Вы можете заказать Thermoblock – система аккумуляции тепла, размещаемая на корпусе и дымосборнике.
Двойное стекло, если стоит задача обеспечить повышение КПД и снять температурную нагрузку, исходящую от дверцы топки.
















Отзывы
Отзывов пока нет.