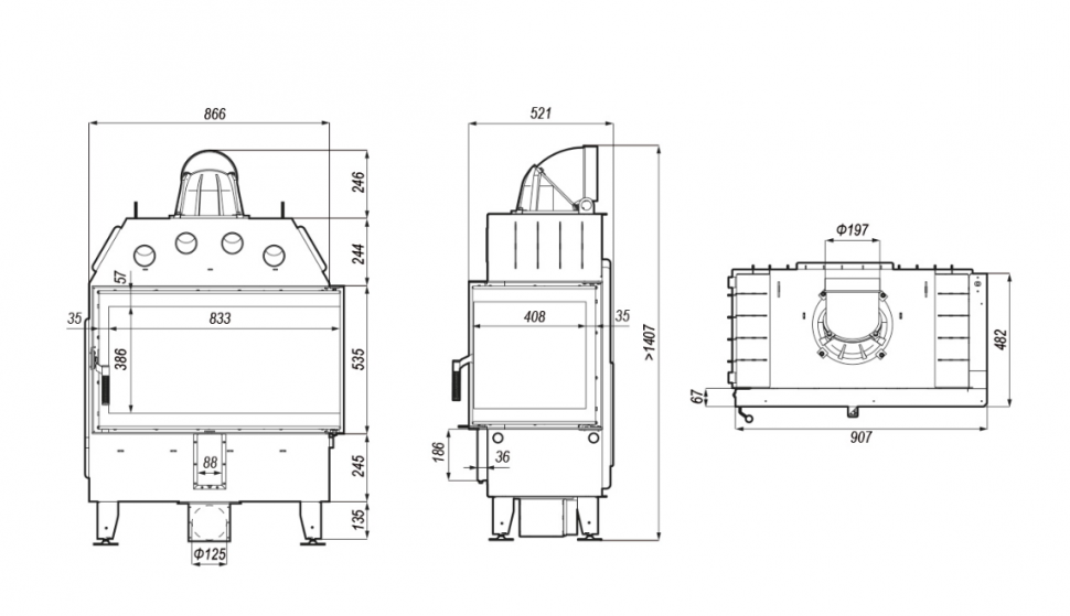
Если требуется большая топка с угловым стеклом, то обратите внимание на продукцию компании Defro (Польша). Топка INTRA ME BL номинальной мощностью в 13 кВт, разгоняется легко от 5 до 15,6 кВт в пиковом значении. Обратите внимание – диаметр выхода дымосборника –200 мм, что облегчает адаптацию подключения к дымоходам ограниченного сечения. Раструб дымосборника чугунный поворотный. Длина поленьев при горизонтальной укладке 700 см. Для лучшего отвода тепла на куполе предусмотрены теплоотводящие ребра и четыре теплоотводных канала внутри дымосборника, обеспечивающий эффективный съём тепла для конвекционного обогрева помещения. Опционально можно заказать следующее оборудование:
Черная футеровка – Keramiton – особо прочная керамика с высокими защитными и теплонакопительными свойствами.
Ручку и петли можно поменять местами, что очень важно при планировке проекта.
Стальную ручку можно заказать в черном цвете, если стальная выбивается из концепции.
Двойное стекло, если стоит задача обеспечить повышение КПД и снять температурную нагрузку, исходящую от дверцы топки.
Для повышения эффективности работы, Вы можете заказать Thermoblock – система аккумуляции тепла, размещаемая на корпусе и дымосборнике.
Для всех тех, кто хочет максимизировать рекуперацию тепла от камина, у нас есть запатентованное накопительное решение, называемое ТЕРМОБЛОК (THERMOBLOCK). Новые владельцы каминов могут наслаждаться своим экологическим источником тепла, излучающим естественное тепло, дружественное и полезное для здоровья излучением.Предложение, специально разработанное для серии воздушных каминов Defro Home Intra и Defro Home Intra Slim.
Основные преимущества:
· Плавное управление заслонкой,
· Улучшение и продолжение горения в камине,
· Уведомление о необходимости добавления топлива,
· Предотвращение перегрева печи,
· Предотвращение охлаждения печи после эксплуатации,
· Работа с системой дымовой пожарной сигнализации,
· Срабатывание с дверным механизмом,
· Память в случае отключения питания,
· Открытие аварийного клапана в случае отключения электроэнергии,
· Работа с сервоприводом заслонки дымохода (например, заслонка Морица),
· Подключение к внешнему устройству.
















Отзывы
Отзывов пока нет.